木薯酒精产业的社会效益和经济效益分析
2007-12-18 22:27:22 来源:食品与发酵工业 评论:0 点击:
关键词:木薯酒精;优势;途径
作者简介:陈立胜(1964-),男,汉,广西大学研究生毕业,主要研究方向:化学工艺。
1 前言
当矿物质能源日益枯竭的时候,人们把目光转向了可再生能源;当以粮食为主要原料的可再生能源影响国家粮食安全的时候,人们把目光转向以非粮的薯类原料制造酒精的王牌→木薯
2 以木薯为原料生产酒精的优势
生产酒精的原料主要有粮食类、薯类和糖蜜。其中用木薯生产酒精与其它作物相比,有着不可比拟的优势:
(1)木薯是非粮食农产品,且对土质的要求低,耐旱、耐瘠薄,符合“不争粮,不争(食)油,不争糖,充分利用边际性土地(指基本不适合种植粮、棉、油等作物的土地)”的国家粮食发展战略,同时用于发展燃料乙醇也很符合当前国家生物质能源发展战略,有利于保障国家粮食安全和能源安全。
(2)用木薯生产酒精最具有经济性,详见下表:
木薯与其它农作物生产酒精的经济性比较
|
项目 |
鲜木薯 |
木薯干片 |
甘蔗 |
甘蔗糖蜜 |
玉米 |
小麦 |
马铃薯 |
红薯 |
|
原料价格(元/吨) |
400 |
1150 |
280 |
800 |
1330 |
1440 |
600 |
380 |
|
原料单耗(吨) |
7 |
2.8 |
16 |
5 |
3.2 |
3.28 |
9 |
8.7 |
|
原料成本(元/吨) |
2800 |
3220 |
4480 |
4000 |
4256 |
4732 |
5400 |
3306 |
|
酒精加工费(元/吨) |
800 |
600 |
700 |
500 |
800 |
800 |
800 |
800 |
|
酒精生产成本(元/吨) |
3600 |
3820 |
5180 |
4500 |
5056 |
5532 |
6200 |
4106 |
|
酒精市场价(元/吨) |
4500 |
4500 |
4500 |
4500 |
4500 |
4500 |
4500 |
4500 |
|
盈亏额(元/吨) |
900 |
680 |
-680 |
0 |
-556 |
-1032 |
-1700 |
394 |
(3)广西木薯资源生产酒精的优势:广西是全国木薯种植、加工的最大产地,占全国产量的70%;广西属北回归线以南,是木薯产品适宜种植区,种植木薯有利于改善本地农村贫困人口的生产生活状况;木薯酒精在广西的产业化可形成农业产业化和生态经济、循环经济的模式,促进区域经济发展。
3 制约木薯酒精发展的因素
制约木薯酒精发展的因素,关键在于没有把它作为一个产业来对待,上缺统一规划、行业指导,下缺农工协调、各自为政,结果是:资本集中度低,产业集中度低,技术水平低,环保措施投入小,经济效益差,主要表现在:
3.1 布局不合理
工厂远离原料主产区,缺乏资源优势,运输生产成本偏高。
3.2 工厂规模小
到目前为止,约有木薯酒精生产企业30余家,年产木薯酒精70多万吨,平均每个生产企业日产133吨,难获规模经济效益。
3.3 技术水平
整体技术水平低,存在料耗高、能耗高、成本高及废渣处理难、废液处理达标排放难的问题,难显经济效益。
3.4 原料情况
原料市场不稳定,木薯种植缺乏组织性,种植粗放,且品种单一、单产低。4 提高木薯酒精效益的途径
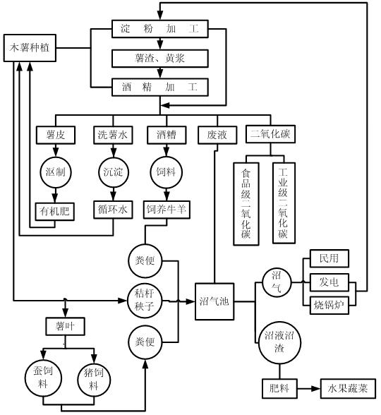
提高木薯酒精的效益,关键在于从木薯酒精产业化和发展生态经济、循环经济的高度,统筹规划、合理布局;典型示范、正确引导;提升产业技术水平、形成循环经济规模。
木薯生态产业示意图
4.1 实现木薯种植的规模化、科学化
(1)推广木薯地套种西瓜、花生、南瓜技术,增加农民收入,提高农民种植积极性,稳定原料来源。以西瓜为例:套种西瓜每亩可收获3000斤,按0.6元/斤计算(现行价),农民可收入1800元。
(2)延长生木薯生产周期,降低原料成本。建立木薯原料基地,引进、繁育早、中、晚熟期木薯品种,延长鲜薯收获期,同时推广高产、高含淀粉木薯良种,提高木薯质量,确保以鲜木薯为原料占生产用料的70%以上。
鲜木薯和木薯干片生产1吨酒精原料成本对比表
|
项 目 |
原料单耗(吨) |
原料价格(元/吨) |
原料成本(元/吨) |
|
鲜木薯原料 |
7 |
400 |
2800 |
|
干片原料 |
2.8 |
1150 |
3220 |
(3)选择最佳种植优势区域。北回归线以南,属亚热带季风气候区,光照充足,气温适宜,是木薯最佳种植区域,该区域10℃以上年积温达6500℃以上,年10℃以上气温天数在280天以上,该区域木薯具有单产达到3吨的潜力,木薯质量较好,木薯平均含粉量比其他区域高1-2%,广西的木薯种植面积四分之三以上都在这些区域。
4.2 实现制造过程的现代化、高效化
(1)采用低温双酶快速糖化,可提高20-30%的设备利用率,比传统的单酶法节约5—10%的加工成本,约45元。
(2)采用浓醪生产工艺,木薯干片或鲜木薯发酵成熟醪酒精浓度可达到12%(V/V)以上,比传统的生产工艺提高1—2个酒份,可减少煤耗10-20%,降低加工成本80元/吨。
(3)采用大罐连续发酵,发酵速度快,发酵周期比运行状态良好的间歇发酵工艺要缩短8—10小时,特别是无需空罐灭菌,也无空罐时间,节约了间歇发酵的刷罐用水、灭菌用汽和人工等消耗,设备的利用率可提高15—20%。
(4)生产食用酒精可采用二塔、三塔或多塔蒸馏设备,按目前的技术水平,采用二塔常压蒸馏,比多塔蒸馏节约用汽,且技术线路较为简单,操作较容易。若采用自动化控制,效果会更好。
(5)采用CIP(Clean In Place)在线清洗,酸水、碱水可循环使用,达到清洗灭菌的目的。
4.3 实现资源综合利用的循环化、生态化
一是利用一、二级冷凝器排放的
热能使用流程图
大力发展生物质能源,木薯是作为燃料乙醇的最佳原料,需求量将会不断的扩大,木薯价格、酒精价格也势必会随之上涨,还有可能会导致原料缺乏的局面,在此情况下,充分利用木薯渣生产酒精可缓解生产原料不足的压力,也可增加经济收益。
广西明阳生化科技股有限公司从事木薯酒精的生产已有十五年的历史,摸索出一套比较成熟的直接用木薯渣、黄浆生产酒精的工艺技术,不仅有效解决了淀粉生产的废渣处理问题,实现了资源的有效利用,也取得了明显的经济效益。
(1)用木薯渣生产酒精与鲜生薯、纯干片生产酒精效益对比分析如下:
|
项目 |
原料 (吨) |
原料成本 (元/吨) |
加工成本 (元/吨) |
吨成本 (元) |
酒精售价 (元) |
税利 (元) |
|
鲜生薯 |
7 |
3200 |
800 |
3600 |
4500 |
900 |
|
纯干片 |
2.8 |
3220 |
600 |
3820 |
4500 |
680 |
|
木薯渣 |
|
|
3000 |
3000 |
4500 |
1500 |
(注:国家政策规定用废渣、废料生产酒精可免税)
(2)生产1吨淀粉可产生2.28吨木薯渣(含水份86%)、0.43吨黄浆(含水份86%),产生的木薯渣、黄浆可生产出0.0974吨酒精,价值438.21元。
木薯生产淀粉、酒精的循环利用图

(2)充分利用厌氧发酵技术,实现资源的循环利用,走循环经济发展之路,每吨酒精的生产成本可降低约281元。
(3)经厌氧后的酒糟废水其COD指标可以达标直接用于农灌,废渣可作有机肥料还田或作食用菌的培养基生产食用菌,也可作为蛋白合成饲料。
5 结束语
木薯是可再生资源,以木薯为原料生产淀粉、酒精是一条资源消耗低、综合利用率高、环境污染少、经济效益好的可持续健康发展道路,搞好木薯产业资源的循环利用,是木薯生产企业的核心竞争力和发展动力。
上一篇:糖蜜酒精废液处理膜组合工艺的选择
下一篇:镰刀菌在环境保护中的研究进展
评论排行
- ·中国发酵企业数据库(4)
- ·(4)
- ·CoQ10高产菌株选育的研究进展(2)
- ·抗生素发酵工艺所用冷却塔的性能分析及处理(1)
- ·微生物菌种选育技术.rar(1)
- ·发酵生产染菌及其防治(1)
- ·赤藓糖醇发酵工艺研究(1)
- ·重组AiiA 蛋白可溶性表达及发酵条件优化(1)
- ·生物反应器设计软件_发酵罐绿色版(1)
- ·酵母粉、酵母浸粉的区别(1)
- ·雷帕霉素研究进展(1)
- ·透明质酸用途和行业概况(1)
- ·黄酒制作工艺(1)
- ·水解(酸化)工艺与厌氧发酵的区别(1)
- ·糖蜜酒精废液处理过程中产生的微生物蛋...(1)
- ·紫杉醇高产菌发酵产物的分离、纯化和鉴定(1)

